
對各種型式的高壓斷路器,一般都要求測量其整體的絕緣電阻,即高壓斷路器導電回路對地的絕緣電阻。測量時應采用2500V絕緣電阻測試儀。對空氣斷路器,實際是測量其支持瓷套的絕緣電阻,一般數值很高,最低不得小雨5000MΩ。對于少油和多油斷路器還應測量絕緣提升桿的絕緣電阻。絕緣提升桿一般由有機材料制成,運輸和安裝過程中容易受潮,造成絕緣電阻降低。表1-1示出了《規程》對用有機材料制成的斷路器絕緣提升桿的絕緣電阻允許值。
表1-1 用有機材料制成的斷路器絕緣提升桿的絕緣電阻允許值(MΩ)
|
試驗類別
|
額定電壓(kV)
|
|||
|
<24
|
24~40.5
|
72.5~252
|
363
|
|
|
大修后
|
1000
|
2500
|
5000
|
10000
|
|
運行中
|
300
|
1000
|
3000
|
5000
|
測量提升桿絕緣電阻應在斷路器調整完畢與油箱注油之前進行,一邊落下油箱或打開人孔接線。斷路器已經充注絕緣油后,為了判斷絕緣提升桿是否受潮,可在斷路器合閘和分閘兩種狀態下分別測量套管引出線對外殼的絕緣電阻。如兩次測量值相近,且絕緣電阻不低于表1-1的規定,說明絕緣提升桿絕緣良好。如果合閘狀態下測得的絕緣電阻遠低于分閘狀態下的測得值,說明書絕緣提升桿受潮。
40.5kV及以上的少油斷路器、空氣斷路器和SF6斷路器,應測量其支持瓷套、絕緣提升桿以及斷口間的直流泄漏電流。泄漏電流試驗比絕緣電阻能更靈敏地發現絕緣提升桿受潮、滅弧室壓力筒受潮、絕緣油受潮及偽、劣化等缺陷。
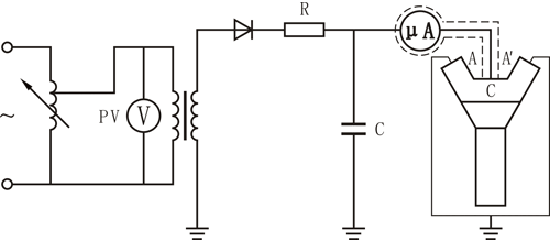
對于少油斷路器和空氣斷路器,應在斷路器分閘位置,按圖1-1所示接線進行試驗,即A、A'接地,試驗電壓施加在C點,當泄漏電流超過標準值時,可進行分解試驗。為判斷缺陷部位,可分別在拆除A接地,拆除A'接地,拆除A、A'接地三種情況下,測量泄漏電流值。如果拆除A'接地,測得泄漏電流下降很多,則應考慮A'斷口絕緣問題;若測得泄漏電流變化很小,則A'斷口絕緣良好。同理可判斷A斷口的絕緣。如果A、A'接地均拆除后泄漏電流不變,則應認為斷路器支持瓷套和絕緣提升桿的絕緣有問題。

圖1-1 測量泄漏電流接線原理圖
《規程》對40.5kV及以上少油斷路器直流試驗電壓及泄漏電流的規定見表1-2。
表1-2 40.5kV及以上少油斷路器直流試驗電壓及泄漏電流的規定值
|
額定電壓(kV)
|
40.5
|
72.5~252
|
≥363
|
|
直流試驗電壓(kV)
|
20
|
40
|
60
|
|
泄漏電力(μA)
|
不大于10μA,超過5μA應引起注意
|
||